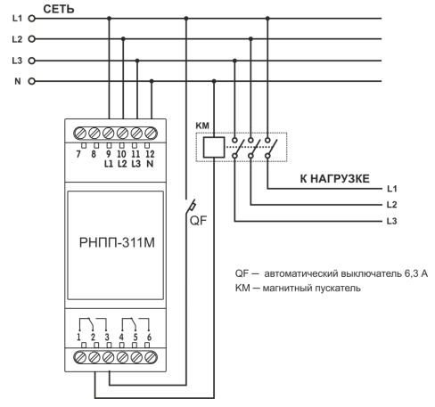
Индикация: светодиоды. Контроль обрыва фаз: да. Контроль чередования фаз: да. Контроль асимметрии фаз: да. Ток коммутации реле: 5А. Отключение защит: да. Сечение подключаемого кабеля: 0,5-1,5 мм². Точность определения порога срабатывания по напряжению: 3 В. Габаритные размеры, HхBхL:
90,2х64,5х36 Масса, не более: 0,1 кг.
| Бренд | Новатек-Электро |
Характеристики
Кол-во контактов: 2 перекидных. Материал контакта: AgNi. Номинальный ток: 8А. Номинальное/максимальное напряжение на переключение: 250/400В. Номинальная нагрузка для AC1: 2000Вт. Номинальная нагрузка (230В~) АС15: 400Вт. Отключающая способность DC1: 30/110/220: 8 / 0,3 / 0,12А. Допустимая мощность однофазного двигателя (230В~): 0,3кВт. Минимальная нагрузка на переключение: 300мВт. Номинальное напряжение: 12В DC. Сопротивление катушки: 220 Ом. Номинальный ток катушки: 55мА. Электрическая долговечность для AC1 в циклах 100 000. Диапазон температур: -40…+85 °C. Установка: съемное. Размеры: 29 х 12,4 х 25 мм.
| Бренд | FINDER |
Характеристики
Номинальный ток 3 А. Номинальное напряжение 250 В. Напряжение управления 230 В. Тип напряжения управления: переменный (AC). Способ монтажа: на DIN-рейку. Количество переключающих контактов 4. Диапазон рабочих температур
от -45 до +40 °С. Габариты без упаковки: 20.5х42х27 мм.
| Бренд | IEK |
Характеристики
Кол-во контактов: 2 перекидных. Материал контакта: AgNi.
Номинальный ток: 8А. Номинальное/максимальное напряжение на переключение: 250/400В. Номинальная нагрузка для AC1: 2000 Вт. Номинальная нагрузка (230В~) АС15: 400Вт.
Отключающая способность DC1: 30/110/220: 8 / 0,3 / 0,12А.
Допустимая мощность однофазного двигателя (230В~): 0,3кВт.
Минимальная нагрузка на переключение: 300мВт. Номинальное напряжение: 230В AC. Сопротивление катушки: 28000 Ом. Номинальный ток катушки: 5мА. Электрическая долговечность для AC1 в циклах: 100 000. Диапазон температур: -40…+85 °C.
Установка: съемное. Размеры: 29 х 12,4 х 25 мм.
| Бренд | FINDER |
Характеристики
Диапазон допустимого напряжения питания АС 50/60Гц: 85—110% от номинального. Диапазон допустимого напряжения питания DС: 90—110% от номинального. Время включения реле, не более 25 мс. Время выключения реле, не более 50 мс. Количество и тип контактов: 2 перекл. Максимальное коммутируемое напряжение, АС1: 250 В.
| Бренд | МЕАНДР |
Характеристики
Напряжение питания (номинальное по исполнениям) 230 AC. Отклонение напряжения питания от номинального АС 50/60Гц, не более -15 ... +10. Отклонение напряжения питания от номинального DC, не более -10 ... +10. Время включения реле, не более 25 мс. Время выключения реле, не более 50 мс.
| Бренд | МЕАНДР |
Характеристики
Напряжение питания DC (постоянное): 24В. Номинальная мощность нагрузки (AC230В): 2,0 кВт. Номинальный ток нагрузки: 8А.
| Бренд | МЕАНДР |
| Ширина, мм. | 18 |
| Глубина, мм. | 62 |
| Высота, мм. | 93 |
Характеристики
Тип: суточный. Тип монтажа: DRA (на DIN-рейку). Номинальное напряжение: 220 (230) В. Номинальный ток 16 А. Установка времени: 30 мин. Потребляемая мощность: 1 Вт. Принцип работы: электро-механический. Габариты без упаковки: 110х54х66 мм.
| Бренд | IEK |
Характеристики
Число контактов: 14.
| Бренд | IEK |
| Номинальный ток (А) | 3,0 |
Характеристики
Номинальный ток: 10А. Номинальное/максимальное напряжение на переключение 250В. Номинальная нагрузка для AC1: 2500Вт. Диапазон температур: -40…+70 °C. Размеры: 78,6 x 15,8 x 75,3 мм. Изоляция 6 кВт (1.2/50 мкс), между обмоткой и контактами. Категория защиты IP 20. Температура окружающего воздуха: –40…+70 °C. Момент завинчивания Нм 0.5. Длина зачистки провода: 8 мм.
| Бренд | FINDER |
Характеристики
Реле напряжения DigiTop 16A предназначен для автоматического отключения подключенной через него нагрузки, если значение напряжения в электросети выйдет за допустимые пределы.
Технические характеристики:
- напряжение на входе приборов - 0-400 В
- измеряемое напряжение - 50-400 В
- максимальный ток - не более 16 А
- максимальная мощность - не более 3,5 кВт
- время отключения по верхнему пределу - не более 0,02 сек
- погрешность вольтметра - не более 1%
- потребляемая мощность - не более 1,5 Вт
- рабочая частота - 45-65 Гц
- степень защиты - IP20
- рабочая температура от - 25 до +50 градусов Цельсия
- габаритные размеры - 107х62х80 мм
Срок эксплуатации 10 лет.
| Бренд | DigiTop |
Характеристики
Частота напряжения 50 Гц. Мах значение шкалы по напряжению 400 В. Мах значение шкалы по току 63 А. Min значение шкалы по напряжению 40 В. Min значение шкалы по току 1. Дисплей есть.
| Бренд | DigiTop |
| Страна изготовителя | Россия |
Характеристики
Измеряемое напряжение: 95…450 В. Количество переключающих контактов: 2. Номинальный ток: 5 А. Род тока контролируемого напряжения: переменный ток(AC).
| Бренд | Новатек-Электро |
Характеристики
Индикация: светодиоды, индикатор. Контроль обрыва фаз: да. Контроль чередования фаз: да. Контроль асимметрии фаз: да. Отключение защит: да. Настройка всех защит: да. Сечение подключаемого кабеля для подключения к клеммам: 0,25 – 2,5 мм². Точность определения порога срабатывания по напряжению:
не более 3В.
| Бренд | Новатек |
Характеристики
Уточнить цену
Наши менеджеры обязательно свяжутся с вами и уточнят условия заказа
Реле 3 замык. 230VAC 16A/250VAC 3SPST-NO 62.83.8.230.0300
| Бренд | No name |
Характеристики
0 руб./шт
Варианты цен
0 руб./шт
Уточнить цену
Наши менеджеры обязательно свяжутся с вами и уточнят условия заказа
0 руб./шт
Варианты цен
0 руб./шт
Уточнить цену
Наши менеджеры обязательно свяжутся с вами и уточнят условия заказа
0 руб./шт
Варианты цен
0 руб./шт
Уточнить цену
Наши менеджеры обязательно свяжутся с вами и уточнят условия заказа
_photo-resizer.ru.webp)