Максимальное напряжение: 7000 В. Температурный диапазон использования: от -50 до +80 °С. Морозостойкая: да. Огнестойкая: да. Толщина: 0.165 мм.
| Бренд | Aviora |
| Материал изделия | ПВХ |
| Длина, мм. | 20000 |
| Ширина, мм. | 19 |
Характеристики
Тип: модульный. Тип монтажа: на DIN-рейку. Номинальное напряжение 230/400 В. Цвет корпуса: белый. Степень защиты IP20. Климатическое исполнение УХЛ-4. Количество полюсов 1. Отключающая способность 4.5 кА. Тип расцепления C. Вес нетто 0.111 кг.
| Бренд | DEKraft |
| Номинальный ток (А) | 20 |
| Ширина, мм. | 17.7 |
| Глубина, мм. | 73 |
| Высота, мм. | 80 |
Характеристики
Служит для поворота кабель-канала 74х55 под 90° по стене.
| Бренд | RUVinil |
| Материал изделия | АБС-пластик |
Характеристики
Высота установки: не более 4-х метров. Срок службы – около 30 000 часов. Мощность: 12 Вт. Цветовая температура: 6500 К. Дальность: 3-8 м. Угол: 90 °. Степень защиты: IP65. Вес единицы: 0,123 кг. Цвет корпуса: белый.
| Бренд | IN HOME |
Характеристики
Хорошая адгезия к материалам с высокой и средней поверхностной энергией (металлы, стекло, большинство пластиков) а также к большому количеству окрашенных поверхностей.
Отличная работа при высокотемпературных применениях (230 С кратковременно, 150 С долговременно).
Высокая начальная адгезия обеспечивающая немедленную транспортную прочность.
Эластичная основа обеспечивает отличное заполнение неровностей и распределение напряжений. Длина - 2 м. Максимальная рабочая температура 230°С.
Толщина - 1,1 мм.
| Бренд | Нет информации |
| Ширина, мм. | 19 |
Характеристики
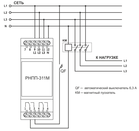
Индикация: светодиоды. Контроль обрыва фаз: да. Контроль чередования фаз: да. Контроль асимметрии фаз: да. Ток коммутации реле: 5А. Отключение защит: да. Сечение подключаемого кабеля: 0,5-1,5 мм². Точность определения порога срабатывания по напряжению: 3 В. Габаритные размеры, HхBхL:
90,2х64,5х36 Масса, не более: 0,1 кг.
| Бренд | Новатек-Электро |
Характеристики
0 руб./м
Варианты цен
0 руб./м
Уточнить цену
Наши менеджеры обязательно свяжутся с вами и уточнят условия заказа
0 руб./м
Варианты цен
0 руб./м
Уточнить цену
Наши менеджеры обязательно свяжутся с вами и уточнят условия заказа
Термоусаживаемая трубка двухстенная 2:1. Клеевая, не поддерживает горение. Размер: 6,4/3,2 мм. Цвет: черный. Температура усадки: +85 °C. Температурный диапазон в режиме эксплуатации: -45...+125 °C. Прочность на растяжение: не менее 10,4 МПа. Электрическая прочность: не менее 19,7 кВ/мм. Рабочее напряжение: 600 В.
| Бренд | Нет информации |
Характеристики
Световой поток: 200 лм. Цветовая температура: 5500 К. Угол светораспределения: 360°. Индекс цветопередачи: 75 Ra. Входное напряжение: DC 12В. Материал корпуса: силикон. Класс энергоэффективности: A+. Температура эксплуатации: -20...+40 °С. Срок службы светодиодов: 20000 часов. Размеры: Ø10×39 мм. Высота: 39 мм. Диаметр: 10 мм. Аналог ЛОН: 20 Вт. Цоколь:
G4. Колба: капсула.
| Бренд | Jazzway |
Характеристики
_photo-resizer.ru.webp)
























